您的位置:首页 > 产品中心 > 工程门机
施工升降机
井道施工升降机
双梁门式起重机
单梁门式起重机
单梁桥式起重机
双梁桥式起重机
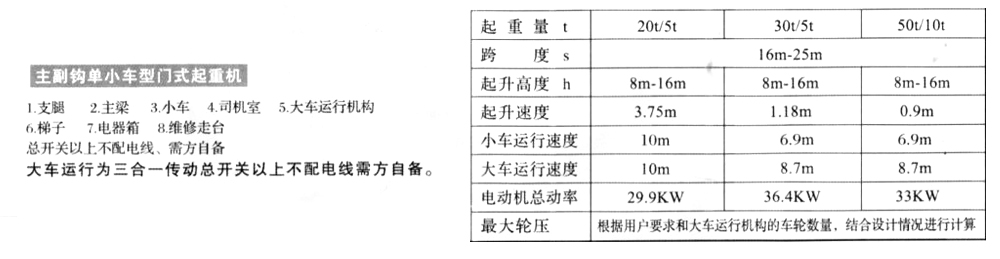
工程门机
电动葫芦
抓斗
生产设备
工程双梁
架桥机
路桥门机
友情链接:
全国统一服务热线
400-0373-400
扫一扫 关注我们
网站首页
咨询热线